oljni priključki
Download
- oljni priključki 1/5 [156 kB]
- oljni priključki 2/5 [152 kB]
- oljni priključki 3/5 [192 kB]
- oljni priključki 4/5 [178 kB]
- oljni priključki 5/5 [180 kB]
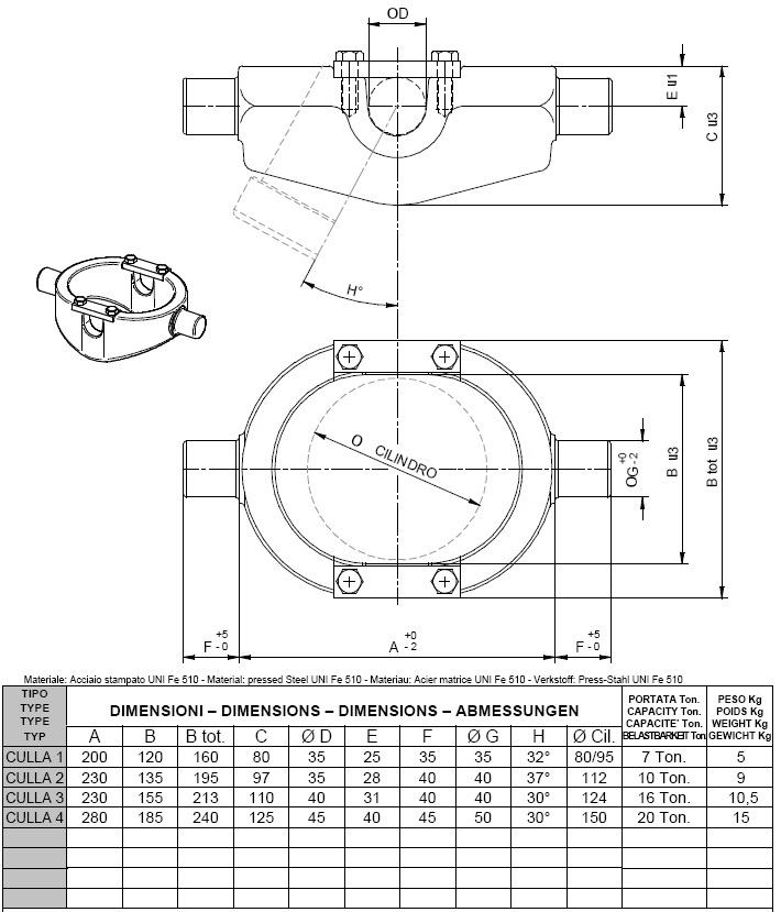
zibelke za cilindre
Download
- zibelka velikost od 1 do 4 [140 kB]
- zibelka velikost od 5 do 10 [179 kB]
nosilci za zibelke
Download
- nosilci za zibelke [229 kB]
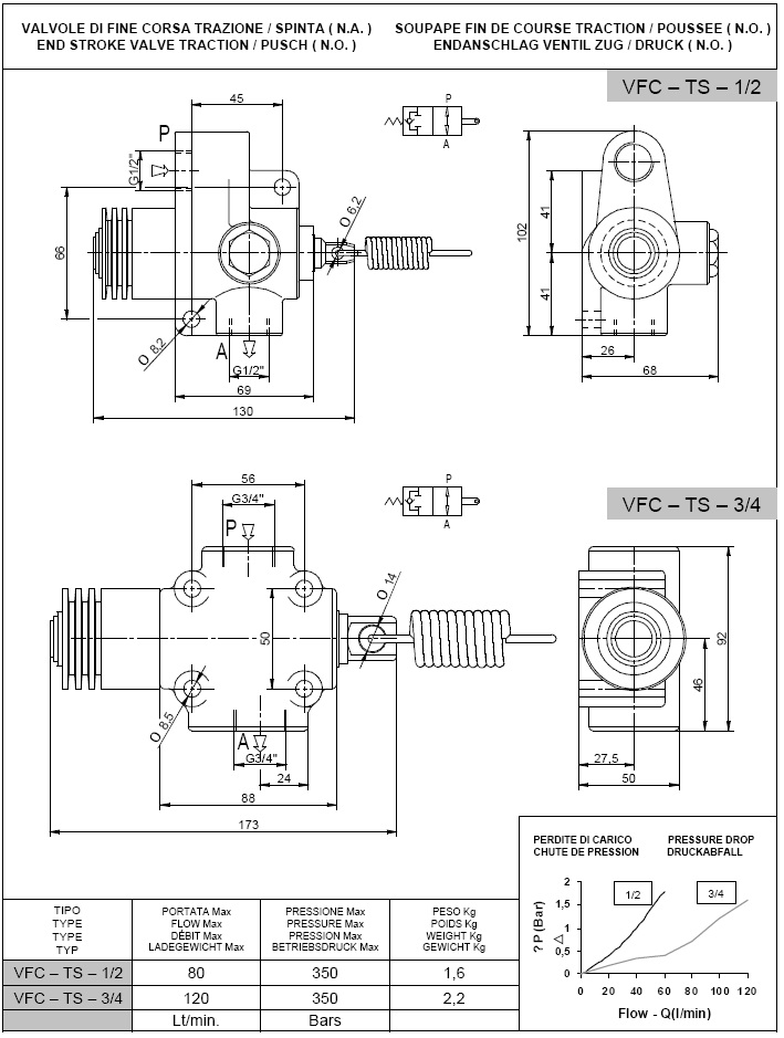
končni ventil
Download
- končni ventili [160 kB]
- končni ventili [94 kB]
