Začetna stran

hidravlični ventil P81 za cepilec drv

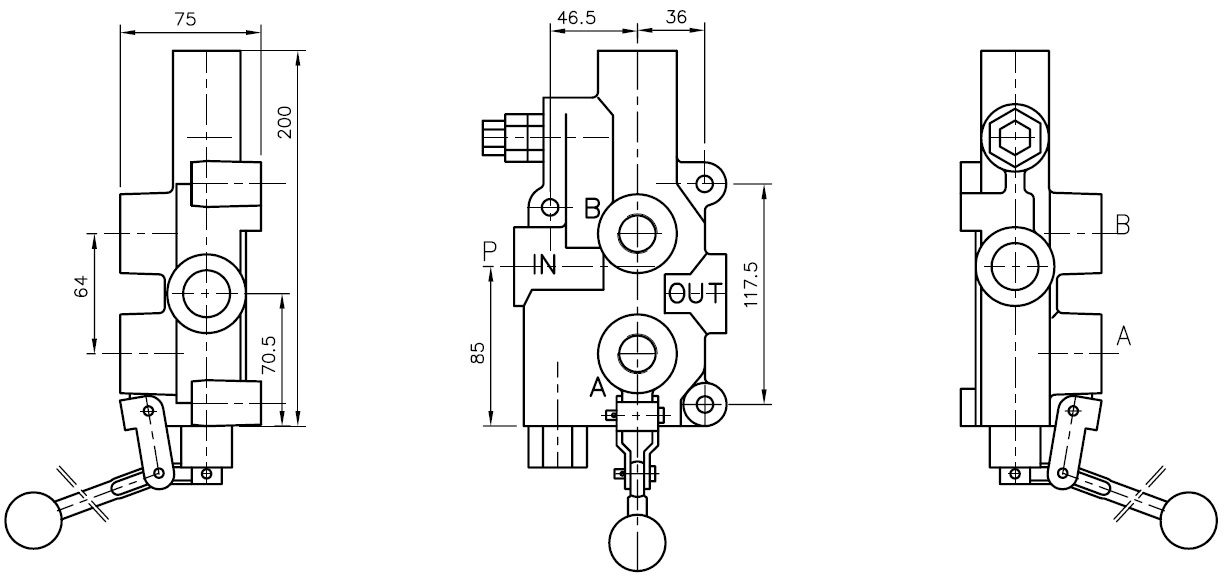
Tehnični podatki:

 

uporaba za:

  • cepilec drv

 

delovanje:

  • avtomatski samodejni tlačni izklop ventila

        (ko pride sekira do vrha)

  • ventil za dve hitrosti cepljenja

 

OPOMBA: zgoraj navedena, sta različna ventila

 

pretok ventila: 80 lit/min

 

max. tlak: (montiran varnostni ventil):

  • P - 250 bar (G3/4'') (dovod do ventila)
  • T - 50 bar (G3/4'') (izvod do rezervarja)
  • A,B - 300 bar (G1/2'') (izvod do cilindra)

 

OPOMBA: tlačni izklop se vrši pri tlaku 70 -140 bar

 

temperaturno območje delovanja

  • od -15 °C do +80 °C

 

cena: po dogovoru


klikni sliko za povečavo

(ogled dimenzij)